

SKF 32220T108J2/DB軸承工業(yè)配套用戶請注意:批量采購SKF 32220T108J2/DB軸承,請至少提前一周與我們聯系,長期批量采購請?zhí)峁┠甓炔少徲媱,我們將十分感謝您的預見性,我們將提供極為優(yōu)惠的價格以保障您的權益。
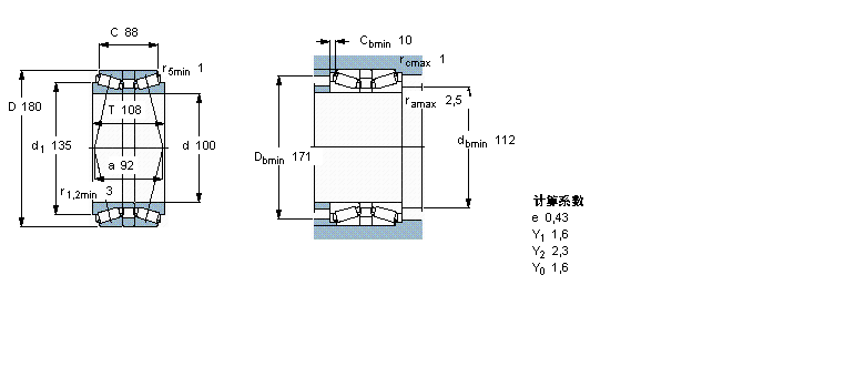
型號:32220T108J2/DB
品牌:SKF
內徑:100
外徑:180
厚度:108
系列:圓錐滾子軸承, 單列,背對背配對
【更新日期:2016/8/3 電腦版 32220T108J2/DB軸承】
| 圓錐滾子軸承, 單列,背對背配對 | ||||||||||
| 公差 , 參見文字 | ||||||||||
| 軸向內部間隙, 參見文字 | ||||||||||
| 推薦配合 | ||||||||||
| 軸和軸承座公差 | ||||||||||
|
|
||||||||||
| 主要數據尺寸 | 基本負荷額定值 | 疲勞負荷限值 | 額定速度 | 體積 | 型號 | |||||
| 動態(tài) | 靜態(tài) | 參照速度 | 限制速度 | |||||||
| d | D | B | C | C0 | Pu | |||||
|
|
||||||||||
| mm | kN | kN | r/min | kg | - | |||||
|
|
||||||||||
| 100 | 180 | 108 | 539 | 880 | 96,5 | 2200 | 3600 | 10,5 | 32220T108 J2/DB | |