

作為傳統(tǒng)的進口軸承經銷 商,磐固晟以廣州為基地,全方位展開與SKF公司的合作,為本地SKF 3203A-2ZTN9/MT33軸承提供強大的貨源支持,并迅速推廣到全國各地,經過多年的努力,3203A-2ZTN9/MT33軸承已成為我們的主導產品之一。
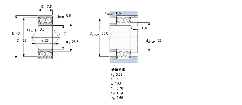
型號:3203A-2ZTN9/MT33
品牌:SKF
內徑:17
外徑:40
厚度:17.5
系列:角接觸球軸承, 雙列, 兩面防塵罩
【更新日期:2016/8/3 電腦版 3203A-2ZTN9/MT33軸承】
| 角接觸球軸承, 雙列, 兩面防塵罩 | ||||||||||
| 公差 , 參見文字 | ||||||||||
| 軸向內部間隙, a), b), 參見文字 | ||||||||||
| 推薦配合 | ||||||||||
| 軸和軸承座公差 | ||||||||||
|
|
||||||||||
| 主要數據尺寸 | 基本負荷額定值 | 疲勞負荷限值 | 額定速度 | 體積 | 型號 | |||||
| 動態(tài) | 靜態(tài) | 參照速度 | 限制速度 | |||||||
| d | D | B | C | C0 | Pu | |||||
|
|
||||||||||
| mm | kN | kN | r/min | kg | - | |||||
|
|
||||||||||
| 17 | 40 | 17,5 | 14,3 | 8,8 | 0,365 | 15000 | 16000 | 0,10 | 3203 A-2ZTN9/MT33 | |