

SKF 31319J2/DF軸承是磐固晟長期經銷 的產品,磐固晟與SKF公司具有長期的31319J2/DF軸承采購計劃,可以為國內用戶提供足夠數量的SKF 31319J2/DF軸承,讓您的工廠無憂運轉。
型號:31319J2/DF
品牌:SKF
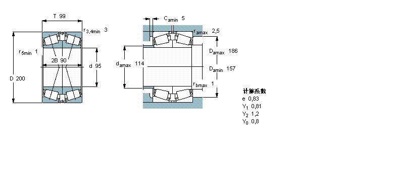
內徑:95
外徑:200
厚度:99
系列:圓錐滾子軸承, 單列,面對面配對
【更新日期:2016/8/3 電腦版 31319J2/DF軸承】
| 圓錐滾子軸承, 單列,面對面配對 | ||||||||||
| 公差 , 參見文字 | ||||||||||
| 軸向內部間隙, 參見文字 | ||||||||||
| 推薦配合 | ||||||||||
| 軸和軸承座公差 | ||||||||||
|
|
||||||||||
| 主要數據尺寸 | 基本負荷額定值 | 疲勞負荷限值 | 額定速度 | 體積 | 型號 | |||||
| 動態(tài) | 靜態(tài) | 參照速度 | 限制速度 | |||||||
| d | D | T | C | C0 | Pu | |||||
|
|
||||||||||
| mm | kN | kN | r/min | kg | - | |||||
|
|
||||||||||
| 95 | 200 | 99 | 501 | 710 | 78 | 1800 | 3400 | 13,0 | 31319 J2/DF | |