

購買SKF 23134CCK/W33+H3134軸承,及23134CCK/W33+H3134軸承同系列產品,或者SKF公司其他產品,請聯(lián)系SKF進口軸承經銷 -磐固晟,我們提供準時高效的服務。
型號:23134CCK/W33+H3134
品牌:SKF
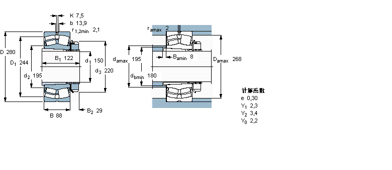
內徑:150
外徑:280
厚度:88
系列:球面滾子軸承, 帶緊定套的
【更新日期:2016/8/3 電腦版 23134CCK/W33+H3134軸承】
| 球面滾子軸承, 帶緊定套的 | ||||||||||
| 公差 , 參見文字 | ||||||||||
| 徑向內部游隙 , 參見文字 | ||||||||||
| 推薦配合 | ||||||||||
| 軸和軸承座公差 | ||||||||||
|
|
||||||||||
| 主要數據尺寸 | 基本負荷額定值 | 疲勞負荷限值 | 額定速度 | 體積 | 型號 | |||||
| 動態(tài) | 靜態(tài) | 參照速度 | 限制速度 | 軸承 + 緊定套 | ||||||
| d1 | D | B | C | C0 | Pu | |||||
| * - SKF Explorer 軸承 | ||||||||||
|
|
||||||||||
| mm | kN | kN | r/min | kg | - | |||||
|
|
||||||||||
| 150 | 280 | 88 | 1040 | 1500 | 137 | 1800 | 2400 | 29,5 | 23134 CCK/W33 + H 3134 * | |