

訂購SKF 23124CCK/W33軸承,請隨時與我們聯系,我們將根據匯率的波動為您提供實時準確的價格,確保以最優(yōu)惠的價格為您提供優(yōu)質的SKF 23124CCK/W33軸承。
型號:23124CCK/W33
品牌:SKF
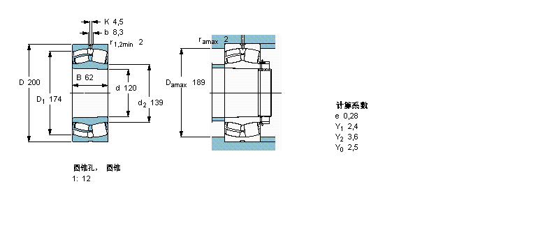
內徑:120
外徑:200
厚度:62
系列:球面滾子軸承, 圓柱和圓錐孔, 圓錐型內孔, 無密封件
【更新日期:2016/8/3 電腦版 23124CCK/W33軸承】
| 球面滾子軸承, 圓柱和圓錐孔, 圓錐型內孔, 無密封件 | ||||||||||
| 公差 , 參見文字 | ||||||||||
| 徑向內部間隙, 圓柱型內孔 , 圓錐型內孔, 無密封件 , 參見文字 | ||||||||||
| 推薦配合 | ||||||||||
| 軸和軸承座公差 | ||||||||||
|
|
||||||||||
| 主要數據尺寸 | 基本負荷額定值 | 疲勞負荷限值 | 額定速度 | 體積 | 型號 | |||||
| 動態(tài) | 靜態(tài) | 參照速度 | 限制速度 | |||||||
| d | D | B | C | C0 | Pu | * - SKF Explorer 軸承 | ||||
|
|
||||||||||
| mm | kN | kN | r/min | kg | - | |||||
|
|
||||||||||
| 120 | 200 | 62 | 510 | 695 | 71 | 2600 | 3400 | 7,75 | 23124 CCK/W33 * | |