

SKF進口軸承經銷 磐固晟為用戶提供高品質的22211E軸承,無論是工業(yè)配套還是維修市場,用戶都可以在這里找到貨期最短的SKF 22211E軸承,確保您的不間斷生產。
型號:22211E
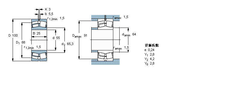
品牌:SKF
內徑:55
外徑:100
厚度:25
系列:球面滾子軸承, 圓柱和圓錐孔, 圓柱型內孔, 無密封件
【更新日期:2016/8/3 電腦版 22211E軸承】
| 球面滾子軸承, 圓柱和圓錐孔, 圓柱型內孔, 無密封件 | ||||||||||
| 公差 , 參見文字 | ||||||||||
| 徑向內部間隙, 圓柱型內孔 , 圓錐型內孔, 無密封件 , 參見文字 | ||||||||||
| 推薦配合 | ||||||||||
| 軸和軸承座公差 | ||||||||||
|
|
||||||||||
| 主要數據尺寸 | 基本負荷額定值 | 疲勞負荷限值 | 額定速度 | 體積 | 型號 | |||||
| 動態(tài) | 靜態(tài) | 參照速度 | 限制速度 | |||||||
| d | D | B | C | C0 | Pu | * - SKF Explorer 軸承 | ||||
|
|
||||||||||
| mm | kN | kN | r/min | kg | - | |||||
|
|
||||||||||
| 55 | 100 | 25 | 125 | 127 | 13,7 | 6300 | 8500 | 0,84 | 22211 E * | |