

21312E/W64軸承是SKF公司同時面向工業(yè)配套和維修市場的產品,磐固晟同時經銷 此兩項業(yè)務,不僅為批量采購的用戶提供優(yōu)惠的SKF 21312E/W64軸承,同時也為零散采購用戶提供價格優(yōu)惠的及時供貨服務。
型號:21312E/W64
品牌:SKF
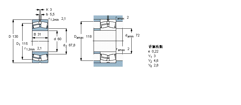
內徑:60
外徑:130
厚度:31
系列:球面滾子軸承, 圓柱型內孔,含Solid Oil, 圓柱型內孔
【更新日期:2016/8/3 電腦版 21312E/W64軸承】
| 球面滾子軸承, 圓柱型內孔,含Solid Oil, 圓柱型內孔 | |||||||||
| 公差 , 參見文字 | |||||||||
| 徑向內部游隙 , 參見文字 | |||||||||
| 推薦配合 | |||||||||
| 軸和軸承座公差 | |||||||||
|
|
|||||||||
| 主要數據尺寸 | 基本負荷額定值 | 疲勞負荷限值 | 限制速度 | 體積 | 型號 | ||||
| 動態(tài) | 靜態(tài) | ||||||||
| d | D | B | C | C0 | Pu | * - SKF Explorer 軸承 | |||
|
|
|||||||||
| mm | kN | kN | r/min | kg | - | ||||
|
|
|||||||||
| 60 | 130 | 31 | 212 | 240 | 26,5 | 440 | 2,10 | 21312 E/W64 * | |